Logo
Explore Help
Register Sign In
AllSpice-Demos/Altium-Demo
11
Fork 1
You've already forked Altium-Demo
Files Issues 14 Design Reviews 2 Actions Projects 1 Releases 2

2 Releases 6 Tags

RSS Feed
  • V3 1d8cf61689
    Compare

    V3 Stable

    daniel-allspice released this 2024-07-28 23:50:55 +00:00 | 2 commits to main since this release

    Adds protection circuitry, mounting holes, and fixes power draw issue

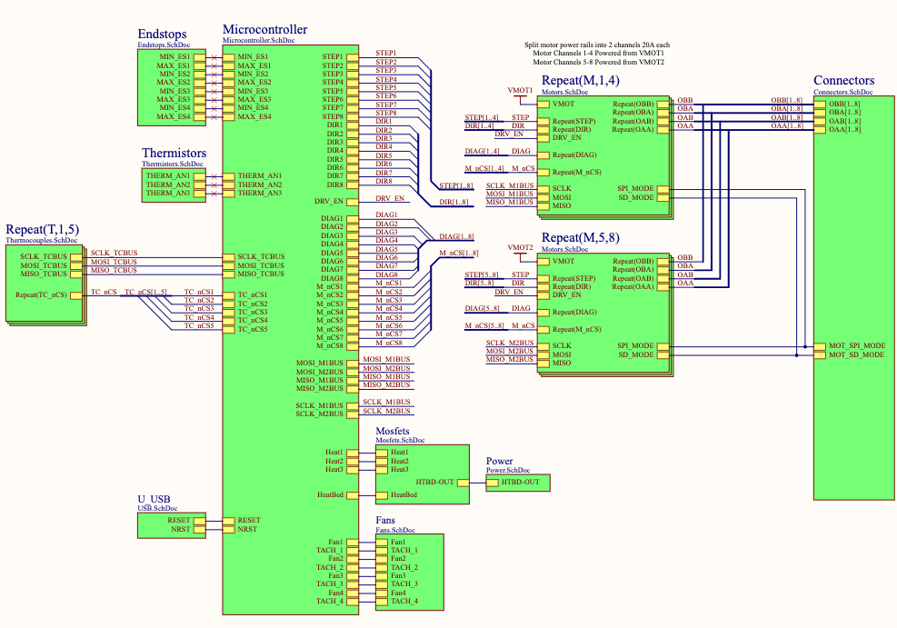
    image

    Downloads
    • Source Files (ZIP)
    • Source Files (TAR.GZ)
    • Archimajor-V3.zip
      1.1 MiB
      2024-07-28 23:53:49 +00:00
    • image.png
      186 KiB
      2024-11-01 16:21:10 +00:00
Powered by AllSpice
English
Bahasa Indonesia Deutsch English Español Français Gaeilge Italiano Latviešu Magyar nyelv Nederlands Polski Português de Portugal Português do Brasil Suomi Svenska Türkçe Čeština Ελληνικά Български Русский Українська فارسی മലയാളം 日本語 简体中文 繁體中文(台灣) 繁體中文(香港) 한국어
JavaScript Licenses API Privacy Policy